• Welcome to Photrio!
    Registration is fast and free. Join today to unlock search, see fewer ads, and access all forum features.
    Click here to sign up

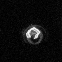
Ghost image with Contaflex

Forum statistics

Threads
201,228
Messages
2,820,822
Members
100,601
Latest member
gamlate
Recent bookmarks
1
OP
OP
bernard_L

bernard_L

Member
Allowing Ads
Joined
Feb 17, 2008
Messages
2,114
Format
Multi Format
maintain some clockwise force on the rewind knob with your fingers when firing (on a tripod)
Will do next time I do a film test.
Yet: such pulling occurs before, not during the exposure; OTOH, I might be seeing the effect of the film relaxing to its normal position after being pulled. Another thought: how does that explanation fit with sharp main + sharp extra image; extra image becoming stronger relative to main at short exposures?
 

Theo Sulphate

Member
Allowing Ads
Joined
Jul 3, 2014
Messages
6,489
Location
Gig Harbor
Format
Multi Format
Unfortunately I cannot offer any new ideas to explain what's happening, but I remember that long ago the photo magazines would often present images such as this for the reader to puzzle over, then reveal the cause. I think it would be useful if at this website we had a collection of such unusual images along with a solution to their cause. This could then be used as a reference.

I also have a Contaflex Super, so I hope I don't start seeing this on my film!
 

Kino

Subscriber
Allowing Ads
Joined
Jan 20, 2006
Messages
7,908
Location
Orange, Virginia
Format
Multi Format
I unfamiliar with the camera, but I wonder if their is an escapement that prevents double exposures that is somewhat sticky and slips upon pushing the shutter release? That might possibly explain the non-issue on higher shutter speeds; not enough time to allow the escapement to "snap" into place and displace the film by a fraction of an inch...

Might try dry firing the camera with the back off/open and watch the film advance sprocket to see if there is any fractional movement when you press the shutter release.

Just a guess...
 
Last edited:

albada

Subscriber
Joined
Apr 10, 2008
Messages
2,175
Location
Escondido, C
Format
35mm RF
Will do next time I do a film test.
Yet: such pulling occurs before, not during the exposure; OTOH, I might be seeing the effect of the film relaxing to its normal position after being pulled. Another thought: how does that explanation fit with sharp main + sharp extra image; extra image becoming stronger relative to main at short exposures?

A phenomenon called "stiction" could explain the two distinct images. Stiction causes a piece to remain immobile briefly, and then move suddenly. If that happened to your film while the shutter was open, you would get two distinct images with a minimum of blur between them.
On a related note, you could eliminate optics as a possibility by shooting a few frames with flash, especially a Thyristor flash that's only on for 0.1 msec.

Mark Overton
 
OP
OP
bernard_L

bernard_L

Member
Allowing Ads
Joined
Feb 17, 2008
Messages
2,114
Format
Multi Format
On a related note, you could eliminate optics as a possibility by shooting a few frames with flash, especially a Thyristor flash that's only on for 0.1 msec.
Note taken, will do. Though an optical ghost does not seem to fit the changing (versus shutter speed) balance of intensity between main and ghost images. But, as I have come to learn, in troubleshooting, never skip a test.
 
OP
OP
bernard_L

bernard_L

Member
Allowing Ads
Joined
Feb 17, 2008
Messages
2,114
Format
Multi Format
Illumination versus time in focal plane

A further confirmation would be to record the light in the focal plane during one cycle, and to confirm that an extra, spurious, pulse of light occurs before the main exposure. This would confirm Brett's explanation, and definitely kill the idea of shutter bounce. Setting up that test my take a few days
Below the result of that test. Performed at two shutter/aperture combination that resulted in well visible ghost image in the previous film test (post#21). As a preliminary, I measured sound-wise (laptop, microphone, Audacity) the duration of the mechanical sequence of the Contaflex: 300ms at most. Purpose: to know how early before the main shutter exposure to look for a spurious illumination, as proposed by Brett Rogers, even though I did not see anything in a visual test (post #22).

1/250 f:5.6, main exposure. hmmm, shutter is slow by 0.1ms (2.5%) not bad for such an oldie.
250_56_a.JPG


Ditto, looking for extra pulse of light. Vertical sensitivity boosted x10; horizontal scale 100ms/div, spanning 1 second total. Nothing there!
250_56_b.JPG


1/125 f:8. hmm shutter is slow by 0.56ms (7%); I'll let it pass this time.
125_8_a.JPG


Ditto, looking for extra pulse of light. Vertical sensitivity x10; horizontal scale 100ms/div, spanning 1 second total. Nothing there!
"grass" is just noise pickup
125_8_b.JPG


For those interested, two views of the setup:
TimingSetup_a.JPG TimingSetup_b.JPG
The circuit operates the detector (vintage Se cell) in true photovoltaic mode (zero bias), which ensures wide-band and linear response. However, because the light source is not properly defined or secured w/r the lens, the intensity scale calibration is not maintained accurately between successive measurements. Someday I'll build myself an exposure checker. Someday.

So, here we are. No extra pulse of light on the time axis, whether before (post #19) or after (my "bounce" hypothesis).
Next in line: flash exposure, to reveal/discard optical ghost (Mark Overton). And tightening the film via the rewind lever (E.von Hoeg, shutterfinger, M.Overton).
 

Theo Sulphate

Member
Allowing Ads
Joined
Jul 3, 2014
Messages
6,489
Location
Gig Harbor
Format
Multi Format
Well, that's definitive. Good test.

How tightly does the pressure plate secure the film - does it seem weak? It wouldn't take much lateral movement of the film during exposure to produce that ghost.
 
OP
OP
bernard_L

bernard_L

Member
Allowing Ads
Joined
Feb 17, 2008
Messages
2,114
Format
Multi Format
And now the remaining tests of the 2do list. I shot 12 frames, but will show only 4, and you'll have to trust me that they are representative. All shot with 85mm FL, at approx the same distance as in the previous series of film tests.

Flash exposure. No ghost. This eliminates an optical ghost. Setup: thin white string against a black cloth. 1/250 f:5.6.
FlashC_250_56_contrastboost.jpg

Hand-held. Tungsten filament (same as previous). 1/250 f:5.6. Supply spool un-wound completely, i.e. as loose as possible. Ghost as usual.
Loose_250_56_b.jpg

Supply spool re-wound fully an held tight during exposure. 1/125 f:8. Ghost is here!
Tight_125_8.jpg

Supply spool re-wound fully an held tight during exposure. 1/250 f:5.6. Ghost is here!
Tight_250_56_b.jpg

So, whatever is causing the ghost is not affected by tensioning the film against the sprockets. I'm loath to give up on that Contaflex; actually, it's a Super BC.
Comments welcome.
 
OP
OP
bernard_L

bernard_L

Member
Allowing Ads
Joined
Feb 17, 2008
Messages
2,114
Format
Multi Format
How tightly does the pressure plate secure the film - does it seem weak?
I don't know how to test this. Except maybe with sacrificed film cassette (I have some) insert with a short length around, but not secured to the take-up spool, or even loosely coiled in the empty space after removing the take-up spool. Feel how hard it is to rewind. Compare with my other Contaflex (which proves once more that I need multiple cameras:wink:). Will do that, but not just now.
 

shutterfinger

Member
Allowing Ads
Joined
Feb 25, 2013
Messages
5,020
Location
San Jose, Ca.
Format
4x5 Format
Flash exposure. No ghost. This eliminates an optical ghost. Setup: thin white string against a black cloth. 1/250 f:5.6.
Where was the flash with reference to the camera?
Supply spool re-wound fully an held tight during exposure. 1/125 f:8. Ghost is here!
Does that eliminate the film flexing between the guide rails and pressure plate when the shutter operates?

If the film is not flexing when the shutter system operates then there is possibly a pin hole in the lens barrel in front of the shutter.
Lock the shutter open on B, lens cap on, back open, in total darkness shine a AA Mini Mag focused to spot at 2 inches around the exterior of the lens/camera body while looking into the film gate. Any light getting in is a leak.
I would hold the light within 1/4 inch of the camera/lens surface.
 

MattKing

Moderator
Moderator
Allowing Ads
Joined
Apr 24, 2005
Messages
54,731
Location
Delta, BC Canada
Format
Medium Format
Your tests appear to deal with the supply spool. What about the take-up - is it moving at time of shutter release?
Could you put a piece of loose film into the film gate, release the shutter, and then develop the film?
 

albada

Subscriber
Joined
Apr 10, 2008
Messages
2,175
Location
Escondido, C
Format
35mm RF
I just examined my Contaflex Super BC, and had the following ideas about possible loose parts:
  • Is the rear element loose? It appears to be secured by a ring requiring a friction tool.
  • Is the middle element loose? Remove the front element to examine it.
  • Is the shutter loose? Focus at infinity, and from the rear, turn the screws at the 2:00, 5:00 and 9:00 positions. These appear to secure the shutter.
If these tests pass, then I'm stumped.
Mark Overton
 
OP
OP
bernard_L

bernard_L

Member
Allowing Ads
Joined
Feb 17, 2008
Messages
2,114
Format
Multi Format
Latest and probably last tests.

A) Re-do basic test. Just for consistency. Hand-held. Distance to bulb 3.50m.
Top row: 50mm, bottom: 85mm. Left column 250 f:5.6, right: 125 f:5.6
20171107_HH50_250_56.jpg
20171107_HH50_125_8.jpg

20171107_HH85_250_56.jpg
20171107_HH85_125_8.jpg


B) Camera resting firmly on the tiled floor. The idea being that some internal part motion during the exposure sequence might cause the camera as whole to shake. Same layout as above. Results not better, not worse.
20171107_Floor50_250_5.6.jpg
20171107_Floor50_125_8.jpg

20171107_Floor85_250_56.jpg
20171107_Floor85_125_8.jpg


C) Sprocket wheel dis-engaged. By putting camera in "rewind" position. Testing (again, but differently) the hypothesis that the film advance mechanism might jolt the film. Proposed by MattKing, #36 above. Problem still there. Ideally I should have made several repeats of that, but: (a) the effect is still with us; (b) I was unsure how the film advance mechanism would behave after going back from "rewind" to "normal", possibly making a mess with zero usable pic;
20171107_FilmSprocketFree.jpg


D) Mechanical tests. Following previous post by Mark Overton.
Rear and middle elements: I could find no play.
The three screws securing the shutter (and optics?) to the focusing helicoid assembly. Difficult to access because no straight in-line clearance. One I tightened ever-so-slightly. All three showed shiny metal in the slot: had been visited before?
Then I tested the firmness of the focusing mount globally. Grabbing the front of the shutter/optics, it can rock back and forth slightly. This slack is more pronounced in the vertical than in the horizontal direction. I have experienced comparable play in focusing mounts of some cameras without adverse effects.
Checked my other Contaflex (a Super B): the focusing mount has zero slack (even being a little too tight for comfort).

Conclusion: probably some play in the focusing helicoid, actuated as a collateral effect of whatever mechanism by which the main body tells the shutter to actuate. Even if the slack is more pronounced in the vertical direction, this seems to point at the cause in general terms at least. And an helicoid with some play is not repairable (at least not by me). Unless the slack is located in the mechanical link between the base of the helicoid and the main body. Brett Rogers, Mark Overton, Others: Is that easy to access, maybe under the front leatherette?

Lesson learned for future photo swaps. And again thanks to all posters who contributed their experience and thoughts.
 

Kino

Subscriber
Allowing Ads
Joined
Jan 20, 2006
Messages
7,908
Location
Orange, Virginia
Format
Multi Format
Get an exorcist...

Seriously, it sounds like something in the timing of this sequence is out of order...

"When the release button is depressed, a series of events must take place very fast: Close the lens shutter, reduce the lens aperture to the preset f-stop, raise the reflex mirror and open auxiliary shutter. Then the exposure can take place by opening and closing the lens shutter. Note that the shutter moves three times. In later models it was also required to open again at the end of the sequence to restore the viewfinder image, and eventually one would also have wished for the lens aperture to open fully again. This is a very complex cycle of operations to accomplish satisfactorily and reliably."

http://camerapedia.wikia.com/wiki/Contaflex_(SLR)
 
Last edited:
OP
OP
bernard_L

bernard_L

Member
Allowing Ads
Joined
Feb 17, 2008
Messages
2,114
Format
Multi Format
Update. Close examination looking/feeling for the origin of the play in the lens unit. Noticed the leatherette in front was not exactly mint. Had discounted that to "Zeiss dimples", but in fact it had been lifted. And below are four screws that I presume clamp the base of the helicoid to the main body. They were tight. Obviously someone has been down that path before. My kind seller? Anyway, no quick-and easy cure here: the play seems to be between the stationary helicoid and the rotating part. And I still don't understand how that optics/shutter block could be made to move stop-start-stop in ≤1 millisecond: distinct, roughly equal intensity images at the two positions within a total exposure time of 4 milliseconds (1/250), with no apparent trailed image in-between.
 

Theo Sulphate

Member
Allowing Ads
Joined
Jul 3, 2014
Messages
6,489
Location
Gig Harbor
Format
Multi Format
By any remote chance do you know anyone who has access to a high speed video camera?

Where I used to work, we could get 1000 fps for observing mechanical operations.


With such a camera, you could aim it at the aerial image formed at the film plane during shutter operation. Then you could see when and how the ghost image is created.
 

shutterfinger

Member
Allowing Ads
Joined
Feb 25, 2013
Messages
5,020
Location
San Jose, Ca.
Format
4x5 Format
Look on ebay for one of these https://www.ebay.com/sch/i.html?_fr...al+caliper.TRS0&_nkw=digital+caliper&_sacat=0
get one with the depth gauge feature.
Check film rail depth and pressure plate height for proper mating when the back is closed.
The Compur repair manual https://www.scribd.com/doc/44503560/Compur-Shutter-Repair-Manual does not contain all the diagrams listed for your camera. Its likely they are specific to the camera and would likely have to be obtained from Contax.
The basic shutter and special shutter diagrams are there and may provide enough information to figure out how to disassemble it to correct the helical looseness.
The secondary image is being caused by film movement during exposure, lens shift during exposure, a pin hole in front of the blocking plate, or an internal reflection.
 
OP
OP
bernard_L

bernard_L

Member
Allowing Ads
Joined
Feb 17, 2008
Messages
2,114
Format
Multi Format
Look on ebay for one of these https://www.ebay.com/sch/i.html?_fr...al+caliper.TRS0&_nkw=digital+caliper&_sacat=0
get one with the depth gauge feature. Check film rail depth and pressure plate height for proper mating when the back is closed.
I've been since long considering to buy one, can easily borrow one. I will follow your suggestion. I did check when engaging the back that the pressure plate has about 4mm of compression, and that the back of my other Contaflex feels the same when mounted on the problematic body.
The Compur repair manual https://www.scribd.com/doc/44503560/Compur-Shutter-Repair-Manual does not contain all the diagrams listed for your camera. Its likely they are specific to the camera and would likely have to be obtained from Contax.
The basic shutter and special shutter diagrams are there and may provide enough information to figure out how to disassemble it to correct the helical looseness.
The secondary image is being caused by film movement during exposure, lens shift during exposure, a pin hole in front of the blocking plate, or an internal reflection.
Film movement, lens shift: agreed, neither can be ruled out. Pin hole, internal reflection: don't see how they could contribute a focused image. I'm now setting aside this body for... spares or for when I have nothing to do; for the moment there other cameras that might benefit from shutter cleaning or other work, with more chances of effective success.
 

Jose ANS

Member
Allowing Ads
Joined
Mar 7, 2018
Messages
1
Location
SPAIN
Format
Medium Format
I have a similar camera (Contaflex Super BC) with apparently the same problem.

Double exposure which as far as I can see is caused by a small displacement of the roller that grips the film holes.
When pressing the shutter release button this roller loses firmness and moves, it is as if it was very tight with the shutter release loaded and when it is loosened it moves slightly backwards.
Maybe I'll dare to open and explore what it could be... although I wouldn't bet anything on being able to fix it.
 

Don_ih

Member
Allowing Ads
Joined
Jan 24, 2021
Messages
8,396
Location
Ontario
Format
35mm RF
Yes, it's probably the film shifting slightly as the shutter goes off. The pressing of the shutter button also releases the lock on advancing the film. It would likely be fixed by cleaning out all the gearing in the advance mechanism.
 
OP
OP
bernard_L

bernard_L

Member
Allowing Ads
Joined
Feb 17, 2008
Messages
2,114
Format
Multi Format
I have a similar camera (Contaflex Super BC) with apparently the same problem.

Double exposure which as far as I can see is caused by a small displacement of the roller that grips the film holes.
When pressing the shutter release button this roller loses firmness and moves, it is as if it was very tight with the shutter release loaded and when it is loosened it moves slightly backwards.
Maybe I'll dare to open and explore what it could be... although I wouldn't bet anything on being able to fix it.
I'll do one more test with mine, with a single frame of film in the camera, not engaging the sprocket wheel. SO, would that be too much backwards tension from the film cartridge? or not enough friction of the film on the rails? Will report, but not immediately, being stuck with two AE-1 cameras under attempted repair... who said that the Contaflex was complex?
 
OP
OP
bernard_L

bernard_L

Member
Allowing Ads
Joined
Feb 17, 2008
Messages
2,114
Format
Multi Format
Actually I did not perform the test mentioned in my previous post. Instead, I engaged a film with the back open, the pressure plate replaced by my fingers, also one finger on the sprocket wheel. I could detect no motion or vibration of the film or of the sprocket wheel when tripping the shutter.

Then I took another look at the lens assembly. It has a small but definite amount of play; one hand pushing at the front lens left and right, up and down, and one finger feeling the large focus ring. I can also hear it. Same experiment with another Contaflex detects no such play. Embarrassing it was there all the time and I find out only now.

Time for an inspection. Need to dis-mount the lens assembly (four screws under the leatherette) and locate the problem more accurately. Hopefully it's a nut ring that needs tightening. It's a Super BC, with working meter, so worth some effort.
 
Photrio.com contains affiliate links to products. We may receive a commission for purchases made through these links.
To read our full affiliate disclosure statement please click Here.

PHOTRIO PARTNERS EQUALLY FUNDING OUR COMMUNITY:



Ilford ADOX Freestyle Photographic Stearman Press Weldon Color Lab Blue Moon Camera & Machine
Top Bottom