• Welcome to Photrio!
    Registration is fast and free. Join today to unlock search, see fewer ads, and access all forum features.
    Click here to sign up

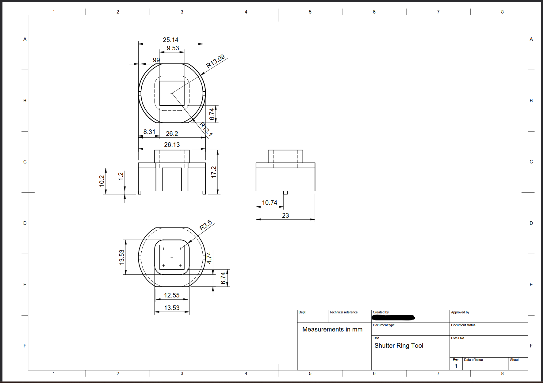
Tool for removing Retina's shutter retaining ring.

The Party

A
The Party

  • 0
  • 0
  • 10
Small house, 1920's.jpg

A
Small house, 1920's.jpg

  • 1
  • 0
  • 30

Recent Classifieds

Forum statistics

Threads
201,238
Messages
2,820,993
Members
100,607
Latest member
nirmi
Recent bookmarks
1

OAPOli

Member
Allowing Ads
Joined
Sep 26, 2022
Messages
806
Location
Toronto
Format
Medium Format
If you can remove the rear lens you could make a much simpler tool. A piece of steel plate of the right length and thickness to fit in the notches, with a handle brazed or locked onto it. Now I remember that this is what I did. A prior attempt with a regular spanner had marred the notches.

PXL_20250812_115553041~2.jpg
 

retina_restoration

Member
Allowing Ads
Joined
Jan 28, 2023
Messages
1,496
Location
Wilammette Valley, Oregon
Format
35mm RF
Thank you for your prompt answer!

Yes, it's a shame I missed it. It's a search I try from time to time, but with few hopes of finding it; actually It was a surprise to know that recently there were any at all! Obviously my searching method -lack of- is not good enough.

Of course I took for granted that the original tool was not available a long time ago. As far as I know, Retinas wasn't sold in Spain so I suspect that Spanish repairmen had to use ingenuity instead of the original Kodak tool and maybe they made their own tools; if this is the case, they have to be somewhere; this is a line that I would like to research.

While that, I'll try to figure out how to make my own tool, what approach is simplest and best.

Here’s your opportunity: https://ebay.us/m/QiLFuZ
 

retina_restoration

Member
Allowing Ads
Joined
Jan 28, 2023
Messages
1,496
Location
Wilammette Valley, Oregon
Format
35mm RF
Many thanks, well seen. I'll try to get it.

Good luck.
Update: I just discovered that this is the exact same tool from the same seller that was sold on August 2nd. You may want to ask them why this ended up being re-listed three weeks after it had supposedly sold. IE: was it returned, and if so, why?
 

F4U

Member
Allowing Ads
Joined
Jan 15, 2025
Messages
638
Location
Florida
Format
8x10 Format
Good luck.
Update: I just discovered that this is the exact same tool from the same seller that was sold on August 2nd. You may want to ask them why this ended up being re-listed three weeks after it had supposedly sold. IE: was it returned, and if so, why?

Might have been returned because the buyer only needed it once. So me made an excuse and got a refund.
 
OP
OP
Rumbo181

Rumbo181

Subscriber
Allowing Ads
Joined
May 25, 2023
Messages
68
Location
Madrid - Spain
Format
Multi Format
Seller answered.

Clarified: it's not the same tool. The proof is this new one is engraved in the shaft with "National Camera Repair ..." while the other don't.

I guess that both tools came from an old repairman shop. I have some manuals and magazines from them, and I know they made shutter analyzers and collimators also, but I didn't know they made small tools as well. Apparently this company/asotiation faded long time ago ...
 

retina_restoration

Member
Allowing Ads
Joined
Jan 28, 2023
Messages
1,496
Location
Wilammette Valley, Oregon
Format
35mm RF
Seller answered.

Clarified: it's not the same tool. The proof is this new one is engraved in the shaft with "National Camera Repair ..." while the other don't.

I guess that both tools came from an old repairman shop. I have some manuals and magazines from them, and I know they made shutter analyzers and collimators also, but I didn't know they made small tools as well. Apparently this company/asotiation faded long time ago ...

OK, I guess that sounds legit. Good luck, I hope you get it.

If you use it for your current projects and decide you don't want to do more, you can be sure to recoup your investment by selling it on fleabay when you're done with it.
 
Last edited:

grain elevator

Member
Allowing Ads
Joined
Jan 31, 2020
Messages
1,324
Location
Germany
Format
Multi Format
I bent a piece of 4mm brass rod into a v shape and filed the ends to fit in the notches in the ring. Not terribly difficult.
 

F4U

Member
Allowing Ads
Joined
Jan 15, 2025
Messages
638
Location
Florida
Format
8x10 Format
I believe Id get busy with Freecad and design one. Will likely be a fair amount f trial and error prototyping, but it's probably do-able. Of course, for the protruding tangs themselves, those would need to be made of metal.
 
OP
OP
Rumbo181

Rumbo181

Subscriber
Allowing Ads
Joined
May 25, 2023
Messages
68
Location
Madrid - Spain
Format
Multi Format
Rumbo, I'm guessing it's not you who has driven the bidding price up to $350 USD already? Yikes.
Somebody wants that tool real bad.

Well, finally I won the auction, but it wasn't me who raised the price.

Initial price for the first tool in eBay was 25$, but this time the seller started with 99$. The action was this way: somebody raised the price to 150$ -something reasonable- but then other bidder come up and started bidding aggressively till reaching 345$. I raised just 5$ but it was my last trench and I thought I was going to be easily surpassed; eventually It didn't happen and I got the auction, first surprised was me.

I don't know why the other person was raising the price so heavily, maybe he read this thread here in Photrio and thought it was a collectible of value - this was the reason why I kept silence until the action was finished - or maybe he thought that the engraving was a proof of an original item and added value. Of course; I have some other theories as well, but at the end of the day it doesn't matter.

Regarding the tool itself, on one side it's way too much than I was considering to pay - and many other projects will have to be on standby by budgeting reasons. On the other side I can use the tool, and I think that one way or another it has a value in itself. and maybe I could consider the price just an "opportunity cost" for a scarce good;

Anyway, @retina_restoration thank you for your support and for letting me know this second auction, and for you all thank you as well for sharing your ideas with me.
 

BrianShaw

Member
Allowing Ads
Joined
Nov 30, 2005
Messages
16,951
Location
La-la-land
Format
Multi Format
Given that kind of valuation, I might have to start renting mine...
 

retina_restoration

Member
Allowing Ads
Joined
Jan 28, 2023
Messages
1,496
Location
Wilammette Valley, Oregon
Format
35mm RF
Well, finally I won the auction, but it wasn't me who raised the price.

Initial price for the first tool in eBay was 25$, but this time the seller started with 99$. The action was this way: somebody raised the price to 150$ -something reasonable- but then other bidder come up and started bidding aggressively till reaching 345$. I raised just 5$ but it was my last trench and I thought I was going to be easily surpassed; eventually It didn't happen and I got the auction, first surprised was me.

I've never seen one of those sell for more than $200 before, and I thought THAT was an outrageous sum!
 

mshchem

Subscriber
Allowing Ads
Joined
Nov 26, 2007
Messages
15,711
Location
Iowa City, Iowa USA
Format
Medium Format
I guess it's positive that camera repair equipment is in demand?? Not sure. Seems to me that would indicate a demand for nicely repaired cameras.
 

retina_restoration

Member
Allowing Ads
Joined
Jan 28, 2023
Messages
1,496
Location
Wilammette Valley, Oregon
Format
35mm RF
I guess it's positive that camera repair equipment is in demand?? Not sure. Seems to me that would indicate a demand for nicely repaired cameras.

But the price went stratospheric only because two people apparently wanted that tool really badly. I don’t think that indicates a general trend. The OP bought that tool to repair his two cameras. What happens after that - who knows.

I purchased my “Beljan tool” for $40. Prices on eBay are often a distortion field effect.
 
Photrio.com contains affiliate links to products. We may receive a commission for purchases made through these links.
To read our full affiliate disclosure statement please click Here.

PHOTRIO PARTNERS EQUALLY FUNDING OUR COMMUNITY:



Ilford ADOX Freestyle Photographic Stearman Press Weldon Color Lab Blue Moon Camera & Machine
Top Bottom