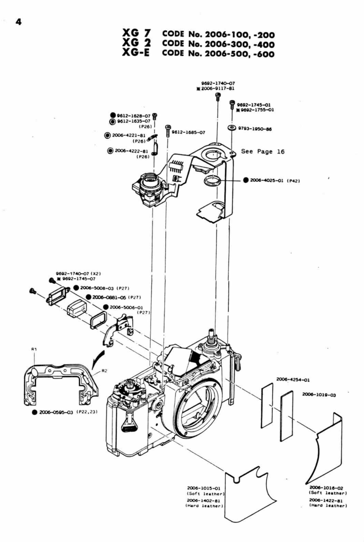
I have a very nice Minolta XG7 with MD 45mm/2 lens. Both are fully working except the lens release button does not work, so I can't remove the lens.
Since the lens latching mechanism is at the top of the lens mount, I removed the camera's top cover in hopes of accessing the latch but no joy there. It looks like I'd have to remove the prism as well (at least) which would mean removing all the flex circuit boards which I dare not do. Even if I did, I still don't know if I would have access to the lens mount lock anyway.
Going at this from the rear of the lens (with shutter held open on B) doesn't seem to be an option either as I can't access enough screws on the back of the lens to do any good.
I am at a loss. Any suggestions?
Since the lens latching mechanism is at the top of the lens mount, I removed the camera's top cover in hopes of accessing the latch but no joy there. It looks like I'd have to remove the prism as well (at least) which would mean removing all the flex circuit boards which I dare not do. Even if I did, I still don't know if I would have access to the lens mount lock anyway.
Going at this from the rear of the lens (with shutter held open on B) doesn't seem to be an option either as I can't access enough screws on the back of the lens to do any good.
I am at a loss. Any suggestions?


