jonmon6691
Member
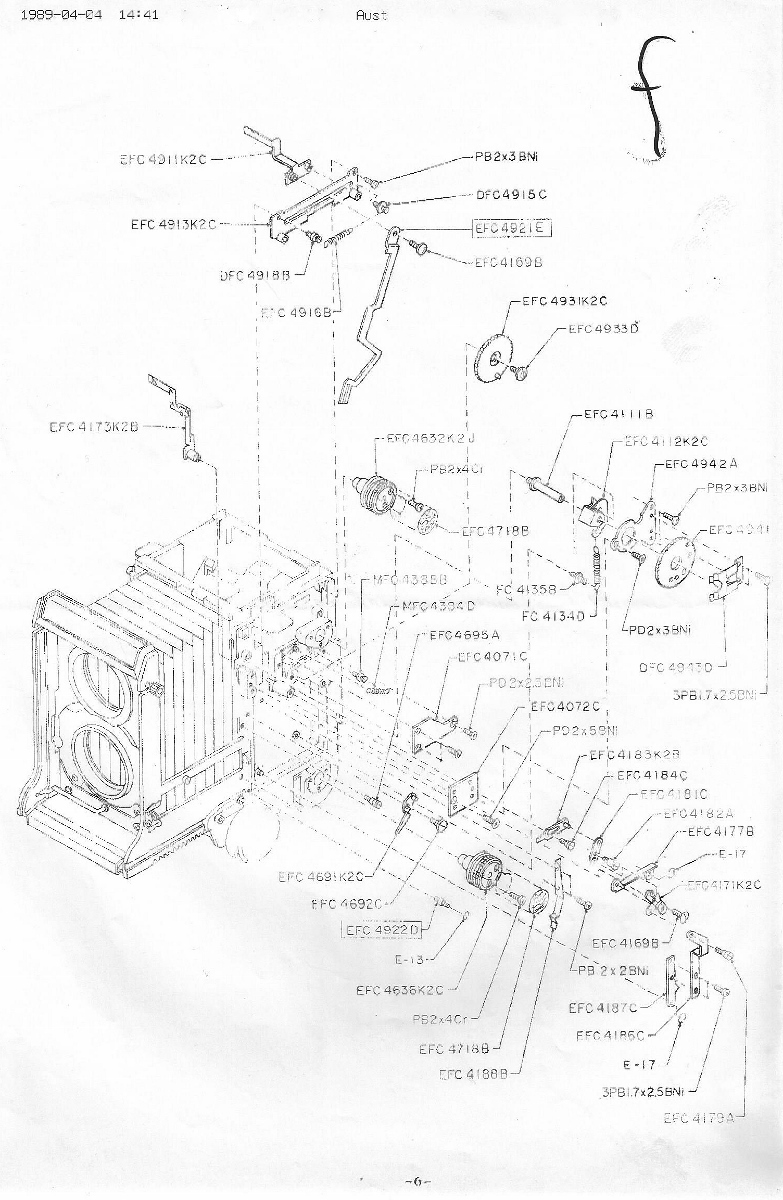
Hi there, currently borrowing my friends project camera which came with a "needs some TLC" warning. After a few minutes playing around with it I noticed that the shutter only fires intermittently, but only after it was cocked via the body-mounted cocking mechanism. Upon closer inspection, I can see that by the time the film advance crank is locked for the next exposure, the body-mounted cocking lever hasn't fully returned to its "up" position. Its nearly almost there, but when the shutter is fired, the shutter's cocking lever snaps up and stops once it hits the body-mounted cocking lever and doesn't go far enough to actually fire the shutter. Giving the lever a little nudge then fires the shutter. This is a nightmare, especially for faster shutter speeds where its hard to tell if you heard the shutter or not.
The drive shaft for this cocking mechanism is on the other side of the camera and I can see the sprocket and rack peeking through the case and it looks to me like if the mechanism was skipped one tooth further, then the cocking lever would be able to return just a little bit further each time and allow the shutter to fire reliably.
Does anyone have experience with this issue? Is there a straightforward repair that I'm not aware of or is re-clocking that drive going to have unintended consequences? Also if there are some better repair documents out there please share! I've only been able to find the standard manual that comes in the box but it doesn't give any helpful repair diagrams.
The drive shaft for this cocking mechanism is on the other side of the camera and I can see the sprocket and rack peeking through the case and it looks to me like if the mechanism was skipped one tooth further, then the cocking lever would be able to return just a little bit further each time and allow the shutter to fire reliably.
Does anyone have experience with this issue? Is there a straightforward repair that I'm not aware of or is re-clocking that drive going to have unintended consequences? Also if there are some better repair documents out there please share! I've only been able to find the standard manual that comes in the box but it doesn't give any helpful repair diagrams.
