- Joined
- Feb 17, 2008
- Messages
- 2,190
- Format
- Multi Format
Hi, Elia,
Your device looks great. Looks you gave some careful thought to the ergonomy. I'm tempted to build a couple (for myself and as a present). I'd like to buy the PCB from you (if you still have some), and the other components commercially. To put my questions below in context, I have a fair experience in electronics (discrete components, op-amps, 74XX digital) but none in microcontrollers.
Your device looks great. Looks you gave some careful thought to the ergonomy. I'm tempted to build a couple (for myself and as a present). I'd like to buy the PCB from you (if you still have some), and the other components commercially. To put my questions below in context, I have a fair experience in electronics (discrete components, op-amps, 74XX digital) but none in microcontrollers.
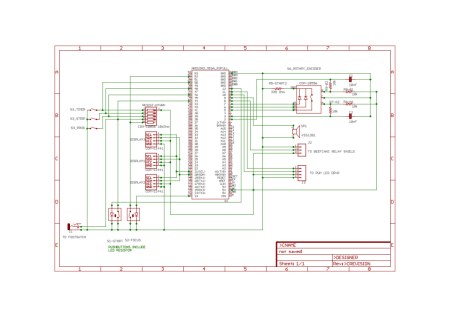
- Several drawings are available on your site only as low-res images, not usable, e.g.:
- I'm confused about the versions; if I embark into this project, I must make sure that the Arduino, the PCB, the code, and the user manual all match together, and match with what I hope/expect to obtain.
In: /monkito-schematics/ you refer to the schematic as "latest version". That is confusing: someday there may be a revision and it will no longer be "latest version". Why not give numbers like PCB_1.5, or whatever, and provide a compatibility table between software revisions and PCB versions, to take care of issues such as: "Relay pin is now 7 instead of 11. The schematics has not been updated accordingly." An up-to-date schematic is needed to wire the components properly.
- What PCB version? Can you sell me two? If not, can you make available the Gerber files?
- What code version?
